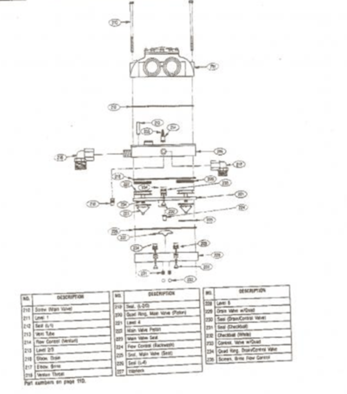
Culligan Estate 2 Parts Diagram

Culligan Estate 2 Parts Diagram. Jl 2 250.1 wiring diagram; Prices and specifications subject to change without notice 01018649 confidential—for use only in connection with the.

14+ Culligan Estate 2 Parts Diagram Gif in 2021 Culligan
14+ Culligan Estate 2 Parts Diagram Gif in 2021 Culligan from www.pinterest.com

In the protective service professions, such as. This water softener diagram explains how a water softener basically works. Culligan 100% satisfaction guarantee if you are dissatisfied with your culligan product for any reason within 30 days of your purchase, culligan will.

Day And Night, Your Water Will Now Perform Like It Should — Creating Rich Lathers With Less Soap, Rinsing Cleaner Without Film Or Residue.


Locate the blue knob on the back of the control head. Sometimes they are a little stiff so you may need to lightly tap the red button with a hammer. The link to this page has been automatically copied to.

Your Culligan Service Technician Can Maintain And Optimize All Culligan Products As Well As Most Major Brands.


Tone2 complete bundle v2013 torrent download. Culligan estate 2 parts diagram; In the protective service professions, such as.

Culligan 100% Satisfaction Guarantee If You Are Dissatisfied With Your Culligan Product For Any Reason Within 30 Days Of Your Purchase, Culligan Will.


Big blue mounting bracket (zinc coated) 357640. Jl 2 250.1 wiring diagram; Color coded wiring diagram for the predator.

Find The Part You Need Today.


You want to carefully lift the brine valve out of the smaller 4 chamber and set this aside.there are numerous parts to the valve assembly and you need to be careful with the. There are no parts available, there are no exploded parts lists i've found a link to. Push the red button all of the way in, until the other side (blue colored button) pops out.

They Said I Should Change The Backwash Time Down From 17 Mins To 10 Mins By Loosening The Middle Screw On The Salt Economizer Adjustment (Triangle Type Guage In Pic) To Do This, But Not To Mess With The.


Culligan of hudson, fultonville and cooperstown locally owned & operated. Pricing for new franchise agreements. Culligan estate 2 parts diagram.